منتجات
صمام فحص من الفولاذ المصبوب
  • صمام فحص من الفولاذ المصبوبصمام فحص من الفولاذ المصبوب

صمام فحص من الفولاذ المصبوب

تقوم شركة Jinqiu Valve بتصنيع صمامات فحص من الفولاذ المصبوب عالي الجودة، وهي عبارة عن صمامات أوتوماتيكية تفتح تلقائيًا على أساس ضغط التدفق للوسيط وتغلق تلقائيًا عن طريق الجاذبية أو الضغط الخلفي عندما يتدفق الوسط للخلف. هذه الصمامات مناسبة لمختلف خطوط الأنابيب الصناعية، وعادةً ما تكون مصنوعة من الفولاذ المصبوب، ويمكن تطبيقها على مجموعة متنوعة من الوسائط وظروف درجة الحرارة.

إن صمام الفحص الصلب المصبوب المتين الخاص بمصنع Jinqiu Valve متماثل على كلا الجانبين، مما يسمح بتدفق الوسائط ثنائي الاتجاه. التثبيت بسيط ومباشر، مما يلغي الحاجة إلى النظر في اتجاه خط الأنابيب، والتشغيل مرن ومريح. يلتزم مصنعنا بمبادئ النزاهة والجودة أولاً. نحن نرحب ترحيبا حارا باستفساراتكم ونأمل في إقامة علاقة تعاون طويلة الأمد معكم. نحن نمتلك مزايا في التصنيع، بينما لديك مزايا في المبيعات. نحن نؤمن أنه من خلال التعاون، يمكننا تحقيق وضع مربح للجانبين، ونأمل أن ننمو معًا!


1. مقاومة منخفضة للسوائل: يتدفق الوسط الداخلي لصمام الفحص الفولاذي المصبوب في خط مستقيم مع الحد الأدنى من المقاومة، مما يسهل نقل السوائل بسلاسة، وكفاءة الطاقة، والتطبيق العملي.
2. سهلة الفتح والإغلاق: تتحرك بوابة صمام الفحص الفولاذي المصبوب عموديًا مع السائل، مما يتطلب الحد الأدنى من القوة للفتح والإغلاق، مما يبسط التشغيل ويوفر تكاليف العمالة.
3. اتجاه التدفق المتوسط ​​غير المقيد: صمام الفحص الفولاذي المصبوب متماثل على كلا الجانبين، مما يسمح بتدفق الوسط ثنائي الاتجاه. التثبيت لا يتطلب النظر في اتجاه تدفق خط الأنابيب، مما يجعل العملية مرنة ومريحة.
4. أداء الختم الممتاز: يكون التآكل في حده الأدنى عندما يكون مفتوحًا بالكامل؛ عند الإغلاق، يمكن أن يؤدي الضغط إلى إغلاق، مما يمنع بشكل فعال تسرب المواد المتوسطة.

معلمات الأداء

نموذج H44H-16C~2=-0 H44W-16P~250
ضغط العمل (ميجا باسكال) 1.6 ~ 25
درجة الحرارة المناسبة (°C) ≥425 550
الوسائط المناسبة الماء والبخار والزيت وسيلة تآكل ضعيفة
مادة الجسم، غطاء محرك السيارة، القرص الصلب الكربوني الكروم والنيكل والتيتانيوم والفولاذ المقاوم للصدأ
سطح الختم سبائك الكربون التي تطفو على السطح والتي تعتمد على الحديد الجسم مختوم

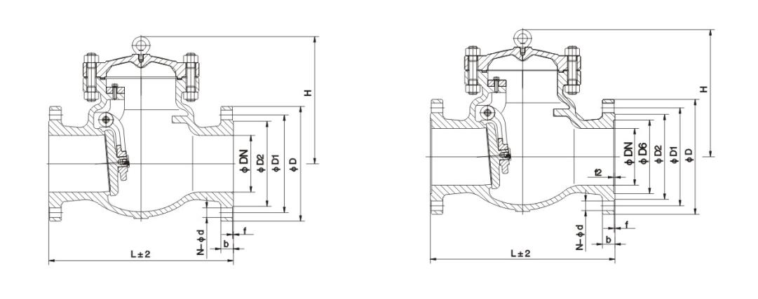
الشكل الرئيسي وأبعاد الاتصال

القطر الاسميDN الأبعاد الرئيسية وأبعاد الاتصال
L D د1 د2 b Z-د H
H44H-16C H44W-16C H44W-16P H44W-16R H44W-16I
25 160 115 85 65 16 4-14 100
32 180 135 100 78 16 4-18 105
40 200 145 100 85 16 4-18 115
50 230 160 125 100 16 4-18 135
65 290 180 145 120 18 4-18 142
80 310 195 160 135 20 8-18 165
100 350 215 180 155 20 8-18 180
125 400 245 210 185 22 8-18 210
150 480 280 240 210 24 8-23 233
200 500 335 295 265 26 12-23 304
250 550 405 355 320 30 12-25 348
300 650 460 410 375 30 12-25 390
350 750 520 470 435 34 16-25 430
400 850 580 525 485 36 16-30 468
H44H-25 H44W-25 H44W-25P H44W-25R H44W-25I
25 160 115 85 65 16 4-14 100
32 180 135 100 78 16 4-18 105
40 200 145 110 85 16 4-18 115
50 230 160 125 100 20 4-18 160
65 290 180 145 120 22 8-18 175
80 310 195 160 135 22 8-18 185
100 350 230 190 160 24 8-23 220
125 400 270 220 188 28 8-25 248
150 480 300 250 218 30 8-25 276
200 550 360 310 278 34 12-25 350
250 650 425 370 332 36 12-30 410
300 750 485 430 390 40 16-30 430
350 850 550 490 448 44 16-34 518
400 950 610 550 505 48 16-34 560

صورة الهيكل

الكلمات الساخنة: صمام فحص الفولاذ المصبوب، الصين، مخصص، جودة، متين، متقدم، الشركة المصنعة، المورد، المصنع، في المخزون
إرسال استفسار
معلومات الاتصال
  • عنوان

    رقم 1، طريق الشمال الأول، المدينة الجديدة المصنوعة من الفولاذ المقاوم للصدأ، طريق Lecong Steel World West، منطقة شوند، مدينة فوشان، مقاطعة قوانغدونغ، الصين

  • بريد إلكتروني

    jinqiufamen@gmail.com

للاستفسارات حول صمامات البوابة، والصمامات الأرضية، وصمامات الفحص أو قائمة الأسعار، يرجى ترك بريدك الإلكتروني لنا وسنكون على اتصال خلال 24 ساعة.

X
نحن نستخدم ملفات تعريف الارتباط لنقدم لك تجربة تصفح أفضل، وتحليل حركة مرور الموقع، وتخصيص المحتوى. باستخدام هذا الموقع، فإنك توافق على استخدامنا لملفات تعريف الارتباط. سياسة الخصوصية
يرفض يقبل