منتجات
صمام الكرة الأرضية من الفولاذ المقاوم للصدأ
  • صمام الكرة الأرضية من الفولاذ المقاوم للصدأصمام الكرة الأرضية من الفولاذ المقاوم للصدأ

صمام الكرة الأرضية من الفولاذ المقاوم للصدأ

صمام كروي متين من الفولاذ المقاوم للصدأ J41H، J41Y، J41W تم إنتاجه بواسطة JQF Valve. جزء الفتح والإغلاق الخاص به عبارة عن رفرف صمام أسطواني، وسطح الختم مسطح أو مخروطي، ويتحرك رفرف الصمام خطيًا على طول الخط المركزي للسائل. صمام القطع المصنوع من الفولاذ المقاوم للصدأ مناسب فقط للفتح الكامل والإغلاق الكامل. لا يتم استخدامه بشكل عام لضبط معدل التدفق. يمكن تعديله وخنقه عند تخصيصه.
شركة فوشان جينكيو للصمامات المحدودة. هي شركة تصنيع صمامات كروية من الفولاذ المقاوم للصدأ ذات جودة عالية تدمج التصميم والتطوير والتصنيع والمبيعات والخدمة. منتجاتنا الرئيسية تشمل صمامات التحكم المختلفة، الصمامات الكهربائية، الصمامات الهوائية، صمامات الملف اللولبي، الصمامات اليدوية، المحركات، وملحقات الصمامات.
إن الصمام الكروي الفولاذي المقاوم للصدأ الخاص بنا عبارة عن صمام بوابة بجسم مصبوب من الفولاذ المقاوم للصدأ، ووصلات ذات حواف في كلا الطرفين، وهيكل صمام البوابة. وتتمثل وظيفتها الأساسية في تنظيم التدفق بدقة أو إغلاق الوسط في خطوط الأنابيب بشكل موثوق.
نظرًا لمقاومته الممتازة للتآكل وأداء الختم الموثوق به، فقد أصبح أحد الصمامات المفضلة للوسائط المسببة للتآكل أو التطبيقات عالية النظافة في الصناعات الكيميائية والبتروكيماوية والغذائية والصيدلانية.
Customers trust JQF valves' high quality, reliable performance, and good and comprehensive customer service. We will continue to innovate to provide first-class valve solutions.

1. الهيكل البسيط: تصميم الصمام الكروي الفولاذي المقاوم للصدأ بسيط، مما يجعل التصنيع والصيانة مريحة وفعالة.
2. الاستجابة السريعة: شوط العمل القصير يسمح بفتح وإغلاق الصمام بسرعة كبيرة.
3. الختم المتين: تأثير الختم ممتاز، الحد الأدنى من مقاومة الاحتكاك، وعمر الخدمة الطويل.

المعيار التنفيذي

مواصفات التصميم: GB/T 12235
طول الهيكل: GB/T 12221
اتصال شفة: JB / T 79
الاختبار والفحص: جي بي / تي 9002
تعريف المنتج: GB/T 12220
مواصفات التسليم: جي بي/تي 7928

معلمات الأداء

نموذج J41H-16C~160C J41Y-16C~160C J41W-16P~160P
ضغط العمل (ميجا باسكال) 1.6~16.0
درجة الحرارة المناسبة (°C) ≥425 ≥150
الوسائط المناسبة الماء والبخار والزيت وسيلة تآكل ضعيفة
مادة الجسم، غطاء محرك السيارة الصلب الكربوني الكروم والنيكل والتيتانيوم والفولاذ المقاوم للصدأ
ساق الصمام الفولاذ المقاوم للصدأ الكروم الكروم والنيكل والتيتانيوم والفولاذ المقاوم للصدأ
سطح الختم تسطيح السبائك القائمة على الحديد سبيكة صلبة مادة الجسم
حشو الجرافيت الأسبستوس، الجرافيت المرن، PTFE

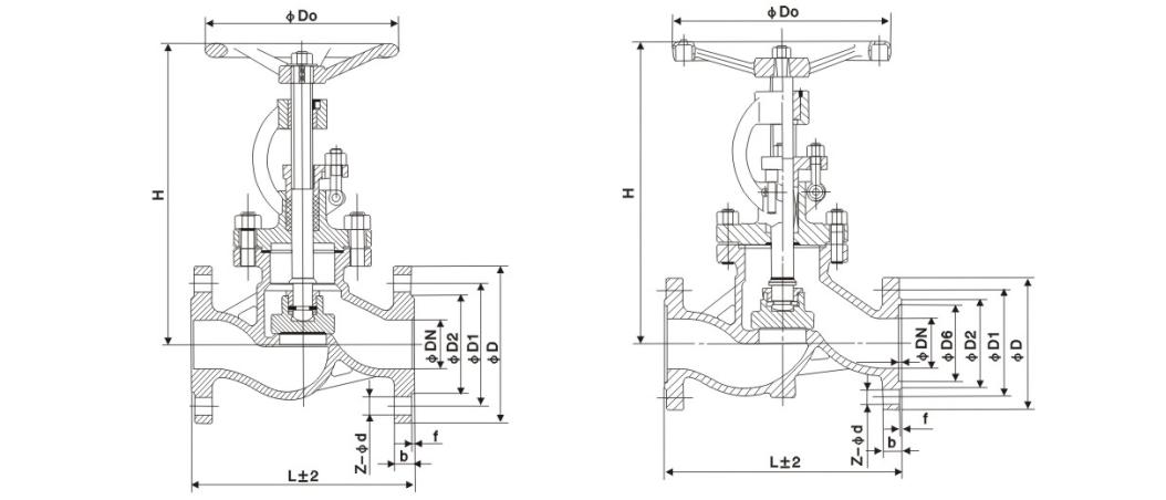
الشكل الرئيسي وحجم الاتصال

القطر الاسمي الأبعاد الرئيسية وأبعاد الاتصال
L D د1 د2 b Z-د H د0
J41H-16C
15 130 95 65 45 14-2 4-Φ14 170 120
20 150 105 75 55 14-2 4-Φ14 190 140
25 160 115 85 65 14-2 4-Φ14 205 160
32 180 135 100 78 16-2 4-Φ18 270 180
40 200 145 110 85 16-3 4-Φ18 310 200
50 230 160 125 100 16-3 4-Φ18 358 240
65 290 180 145 120 18-3 4-Φ18 373 240
80 310 195 160 135 20-3 8-Φ18 435 280
100 350 215 180 155 20-3 8-Φ18 500 300
125 400 245 210 185 22-3 8-Φ18 614 320
150 480 280 240 210 24-3 8-Φ23 674 360
200 600 335 295 265 26-3 12-Φ23 811 400
250 650 405 355 320 30-3 12-Φ25 969 450
300 750 460 410 375 30-3 12-Φ25 1145 580
350 850 520 470 435 34-4 16-Φ25 1280 640
400 980 580 525 485 36-4 16-Φ30 1452 640
J41H-25C
15 130 95 65 45 16-2 4-Φ14 170 120
20 150 105 75 55 16-2 4-Φ14 190 140
25 160 115 85 65 16-2 4-Φ14 205 160
32 180 135 100 78 18-2 4-Φ18 270 180
40 200 145 110 85 18-3 4-Φ18 310 200
50 230 160 125 100 20-3 4-Φ18 358 240
65 290 180 145 120 22-3 8-Φ18 373 240
80 310 195 160 135 22-3 8-Φ18 435 280
100 350 230 190 160 24-3 8-Φ23 500 300
125 400 270 220 188 28-3 8-Φ25 614 320
150 480 300 250 218 30-3 8-Φ25 674 360
200 600 360 310 278 34-3 12-Φ25 811 400
250 650 425 370 332 36-3 12-Φ30 969 450
300 750 485 430 390 40-4 16-Φ30 1145 580
350 850 550 490 448 44-4 16-Φ34 1280 640
400 980 610 550 505 48-4 16-Φ34 1452 640

صورة الهيكل

الكلمات الساخنة: الفولاذ المقاوم للصدأ صمام الكرة الأرضية، الصين، حسب الطلب، الجودة، دائم، متقدم، الشركة المصنعة، المورد، المصنع، في الأوراق المالية
إرسال استفسار
معلومات الاتصال
  • عنوان

    رقم 1، طريق الشمال الأول، المدينة الجديدة المصنوعة من الفولاذ المقاوم للصدأ، طريق Lecong Steel World West، منطقة شوند، مدينة فوشان، مقاطعة قوانغدونغ، الصين

  • بريد إلكتروني

    jinqiufamen@gmail.com

للاستفسارات حول صمامات البوابة، والصمامات الأرضية، وصمامات الفحص أو قائمة الأسعار، يرجى ترك بريدك الإلكتروني لنا وسنكون على اتصال خلال 24 ساعة.

X
نحن نستخدم ملفات تعريف الارتباط لنقدم لك تجربة تصفح أفضل، وتحليل حركة مرور الموقع، وتخصيص المحتوى. باستخدام هذا الموقع، فإنك توافق على استخدامنا لملفات تعريف الارتباط. سياسة الخصوصية
يرفض يقبل